FAF158減速機詳細信息
FAF158減速機
FAF158減速機選型計算:齒輪減速馬達
螺桿輸送線參數:一分鐘走500mm,螺桿的導距20mm,載重90000kg
20mm螺桿的導距×2因為導距有兩面得出螺距=40mm
500mm÷40mm=12.5r/min輸出轉數
載重90000kg=88200N.m×0.06摩擦力=5292N.m
1400÷12.5r/min=112減速比
5292N.m÷112減速比=47.25N.m
47.25N.m換算成電機功率=7.55KW左右
對應的FAF158減速機選型參數:
型號:FAF158-BVPEJ11KW
減速比:108.49
輸出轉數:14r/min
輸出扭矩:7720N.m
安全系數:2.3
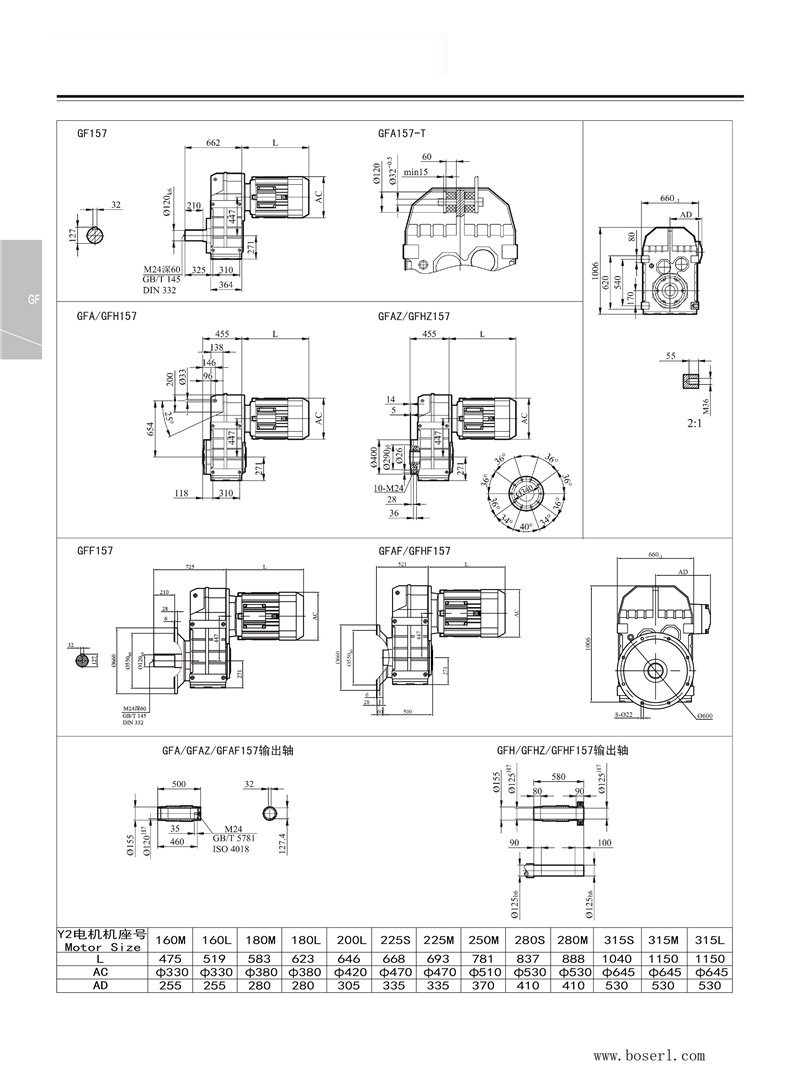
FAF158減速機平面圖紙:輸出軸Φ20+鍵2.5(可定做),高134*寬135*長174(帶輸出軸)變頻電機減速機

FAF158平行軸齒輪減速機型號:

FAF158系列減速機參數大全:平行軸斜齒輪減速機
減速機配11KW電機參數
| 型號 | 功率 | 輸出轉數 | 輸出扭矩 | 服務系數 |
| F157Y11KW | 11KW | 5.50rpm | 19000N.m | 0.95 |
| F157Y11KW | 11KW | 6.80rpm | 15400N.m | 1.15 |
| F157Y11KW | 11KW | 8.30rpm | 12600N.m | 1.40 |
| F157Y11KW | 11KW | 9.00rpm | 11600N.m | 1.55 |
| F157Y11KW | 11KW | 10.0rpm | 10000N.m | 1.80 |
| F157Y11KW | 11KW | 12.0rpm | 8910N.m | 2.00 |
| F157Y11KW | 11KW | 14.0rpm | 7720N.m | 2.30 |
| F157Y11KW | 11KW | 15.0rpm | 6870N.m | 2.60 |
| F157Y11KW | 11KW | 17.0rpm | 6110N.m | 3.00 |
| F157Y11KW | 11KW | 19.0rpm | 5580N.m | 3.20 |
| F157Y11KW | 11KW | 22.0rpm | 4860N.m | 3.70 |
減速機配15KW電機參數
| 型號 | 功率 | 輸出轉數 | 輸出扭矩 | 服務系數 |
| F157Y15KW | 15KW | 6.70rpm | 21200N.m | 0.85 |
| F157Y15KW | 15KW | 8.20rpm | 17400N.m | 1.05 |
| F157Y15KW | 15KW | 9.00rpm | 15900N.m | 1.15 |
| F157Y15KW | 15KW | 10.0rpm | 13800N.m | 1.30 |
| F157Y15KW | 15KW | 12.0rpm | 12200N.m | 1.45 |
| F157Y15KW | 15KW | 14.0rpm | 10600N.m | 1.70 |
| F157Y15KW | 15KW | 15.0rpm | 9430N.m | 1.90 |
| F157Y15KW | 15KW | 17.0rpm | 8380N.m | 2.20 |
| F157Y15KW | 15KW | 19.0rpm | 7670N.m | 2.40 |
| F157Y15KW | 15KW | 21.0rpm | 6670N.m | 2.70 |
| F157Y15KW | 15KW | 24.0rpm | 5890N.m | 3.10 |
減速機配18.5KW電機參數
| 型號 | 功率 | 輸出轉數 | 輸出扭矩 | 服務系數 |
| F157Y18.5KW | 18.5KW | 8.20rpm | 21400N.m | 0.85 |
| F157Y18.5KW | 18.5KW | 9.00rpm | 19600N.m | 0.90 |
| F157Y18.5KW | 18.5KW | 10.0rpm | 17000N.m | 1.05 |
| F157Y18.5KW | 18.5KW | 12.0rpm | 15000N.m | 1.20 |
| F157Y18.5KW | 18.5KW | 14.0rpm | 13000N.m | 1.40 |
| F157Y18.5KW | 18.5KW | 15.0rpm | 11600N.m | 1.55 |
| F157Y18.5KW | 18.5KW | 17.0rpm | 10300N.m | 1.75 |
| F157Y18.5KW | 18.5KW | 19.0rpm | 9460N.m | 1.90 |
| F157Y18.5KW | 18.5KW | 21.0rpm | 8230N.m | 2.20 |
| F157Y18.5KW | 18.5KW | 24.0rpm | 7260N.m | 2.50 |
| F157Y18.5KW | 18.5KW | 28.0rpm | 6290N.m | 2.90 |
減速機配22KW電機參數
| 型號 | 功率 | 輸出轉數 | 輸出扭矩 | 服務系數 |
| F157Y22KW | 22KW | 10.0rpm | 20100N.m | 0.90 |
| F157Y22KW | 22KW | 12.0rpm | 17800N.m | 1.00 |
| F157Y22KW | 22KW | 14.0rpm | 15400N.m | 1.15 |
| F157Y22KW | 22KW | 15.0rpm | 13700N.m | 1.30 |
| F157Y22KW | 22KW | 17.0rpm | 12200N.m | 1.45 |
| F157Y22KW | 22KW | 19.0rpm | 11100N.m | 1.60 |
| F157Y22KW | 22KW | 22.0rpm | 9720N.m | 1.85 |
| F157Y22KW | 22KW | 24.0rpm | 8580N.m | 2.10 |
| F157Y22KW | 22KW | 28.0rpm | 7440N.m | 2.40 |
| F157Y22KW | 22KW | 32.0rpm | 6610N.m | 2.70 |
| F157Y22KW | 22KW | 37.0rpm | 5700N.m | 3.20 |
| F157Y22KW | 22KW | 45.0rpm | 4630N.m | 3.90 |
減速機配30KW電機參數
| 型號 | 功率 | 輸出轉數 | 輸出扭矩 | 服務系數 |
| F157Y30KW | 30KW | 14.0rpm | 21000N.m | 0.85 |
| F157Y30KW | 30KW | 15.0rpm | 18700N.m | 0.95 |
| F157Y30KW | 30KW | 17.0rpm | 16600N.m | 1.10 |
| F157Y30KW | 30KW | 19.0rpm | 15200N.m | 1.20 |
| F157Y30KW | 30KW | 22.0rpm | 13200N.m | 1.35 |
| F157Y30KW | 30KW | 24.0rpm | 11700N.m | 1.55 |
| F157Y30KW | 30KW | 28.0rpm | 10100N.m | 1.75 |
| F157Y30KW | 30KW | 32.0rpm | 9020N.m | 2.00 |
| F157Y30KW | 30KW | 37.0rpm | 7780N.m | 2.30 |
減速機配37KW電機參數
| 型號 | 功率 | 輸出轉數 | 輸出扭矩 | 服務系數 |
| F157Y37KW | 37KW | 17.0rpm | 20500N.m | 0.90 |
| F157Y37KW | 37KW | 19.0rpm | 18700N.m | 0.95 |
| F157Y37KW | 37KW | 22.0rpm | 16300N.m | 1.10 |
| F157Y37KW | 37KW | 25.0rpm | 14400N.m | 1.25 |
| F157Y37KW | 37KW | 28.0rpm | 12400N.m | 1.45 |
| F157Y37KW | 37KW | 32.0rpm | 11100N.m | 1.60 |
| F157Y37KW | 37KW | 37.0rpm | 9580N.m | 1.90 |
| F157Y37KW | 37KW | 45.0rpm | 7780N.m | 2.30 |
| F157Y37KW | 37KW | 54.0rpm | 6600N.m | 2.70 |
減速機配45KW電機參數
| 型號 | 功率 | 輸出轉數 | 輸出扭矩 | 服務系數 |
| F157Y45KW | 45KW | 22.0rpm | 19800N.m | 0.90 |
| F157Y45KW | 45KW | 25.0rpm | 17500N.m | 1.05 |
| F157Y45KW | 45KW | 28.0rpm | 15100N.m | 1.20 |
| F157Y45KW | 45KW | 32.0rpm | 13500N.m | 1.35 |
| F157Y45KW | 45KW | 37.0rpm | 11600N.m | 1.55 |
| F157Y45KW | 45KW | 45.0rpm | 9460N.m | 1.90 |
| F157Y45KW | 45KW | 54.0rpm | 8020N.m | 2.20 |
減速機配55KW電機參數
| 型號 | 功率 | 輸出轉數 | 輸出扭矩 | 服務系數 |
| F157Y55KW | 55KW | 24.0rpm | 21400N.m | 0.85 |
| F157Y55KW | 55KW | 28.0rpm | 18600N.m | 0.95 |
| F157Y55KW | 55KW | 32.0rpm | 16500N.m | 1.10 |
| F157Y55KW | 55KW | 37.0rpm | 14200N.m | 1.25 |
| F157Y55KW | 55KW | 45.0rpm | 11500N.m | 1.55 |
| F157Y55KW | 55KW | 53.0rpm | 9820N.m | 1.85 |
| F157Y55KW | 55KW | 52.0rpm | 10100N.m | 1.65 |
| F157Y55KW | 55KW | 58.0rpm | 9050N.m | 1.65 |
| F157Y55KW | 55KW | 67.0rpm | 7890N.m | 2.30 |
| F157Y55KW | 55KW | 75.0rpm | 7030N.m | 2.40 |
| F157Y55KW | 55KW | 88.0rpm | 6000N.m | 3.00 |
減速機配75KW電機參數
| 型號 | 功率 | 輸出轉數 | 輸出扭矩 | 服務系數 |
| F157Y75KW | 75KW | 32.0rpm | 22400N.m | 0.80 |
| F157Y75KW | 75KW | 37.0rpm | 19300N.m | 0.95 |
| F157Y75KW | 75KW | 45.0rpm | 15700N.m | 1.15 |
| F157Y75KW | 75KW | 54.0rpm | 13300N.m | 1.35 |
| F157Y75KW | 75KW | 52.0rpm | 13800N.m | 1.25 |
| F157Y75KW | 75KW | 58.0rpm | 12300N.m | 1.20 |
| F157Y75KW | 75KW | 67.0rpm | 10700N.m | 1.70 |
| F157Y75KW | 75KW | 75.0rpm | 9560N.m | 1.80 |
| F157Y75KW | 75KW | 88.0rpm | 8150N.m | 2.20 |
| F157Y75KW | 75KW | 106rpm | 6750N.m | 2.50 |
| F157Y75KW | 75KW | 124rpm | 5760N.m | 2.80 |
減速機配90KW電機參數
| 型號 | 功率 | 輸出轉數 | 輸出扭矩 | 服務系數 |
| F157Y90KW | 90KW | 45.0rpm | 18900N.m | 0.95 |
| F157Y90KW | 90KW | 54.0rpm | 16000N.m | 1.10 |
| F157Y90KW | 90KW | 67.0rpm | 12800N.m | 1.40 |
| F157Y90KW | 90KW | 75.0rpm | 11400N.m | 1.50 |
| F157Y90KW | 90KW | 88.0rpm | 9780N.m | 1.85 |
| F157Y90KW | 90KW | 106rpm | 8100N.m | 2.10 |
| F157Y90KW | 90KW | 124rpm | 6920N.m | 2.30 |
減速機配110KW電機參數
| 型號 | 功率 | 轉數 | 扭矩 | 安全系數 |
| F157Y110KW | 110KW | 54.0rpm | 19500N.m | 0.90 |
| F157Y110KW | 110KW | 67.0rpm | 15600N.m | 1.15 |
| F157Y110KW | 110KW | 75.0rpm | 14000N.m | 1.20 |
| F157Y110KW | 110KW | 88.0rpm | 11900N.m | 1.50 |
| F157Y110KW | 110KW | 106rpm | 9890N.m | 1.70 |
| F157Y110KW | 110KW | 124rpm | 8440N.m | 1.90 |
減速機配132KW電機參數
| 型號 | 功率 | 轉數 | 扭矩 | 安全系數 |
| F157Y132KW | 132KW | 67.0rpm | 18800N.m | 0.95 |
| F157Y132KW | 132KW | 75.0rpm | 16700N.m | 1.00 |
| F157Y132KW | 132KW | 88.0rpm | 14300N.m | 1.25 |
| F157Y132KW | 132KW | 106rpm | 11800N.m | 1.45 |
| F157Y132KW | 132KW | 125rpm | 10100N.m | 1.60 |
FAF158減速機生產工廠展示:看廠請聯系微信13827261050,獲取位置,需提前一天預約
推薦類似型號:F158減速機
關鍵詞:GFAF系列減速器一體式_配變頻電機減速機_調速電機減速機_FAF系列減速機_扁平減速機_FAF向減速機_變頻減速機_調速減速機_GFAF系列減速機_FAF系列減速器
FAF系列齒輪減速馬達型號:FAF28減速機,FAF38減速機,FAF48減速機,FAF68減速機,FAF78減速機,FAF88減速機,FAF98減速機,FAF108減速機,FAF128減速機,FAF158減速機
FAF系列電動機減速機可配變頻電機,剎車電機,防爆電機,伺服電機,交流電機,直流電機,三相電機,單相電機 0.12KW-132KW之間
如需工程師幫選型,請加微信13827261050,留言告知工程師參數要求
標簽:   FAF158減速機 FAF157平行軸齒輪減速機 FAF157系列減速機 FAF157減速機傳動比 FAF157減速機選型參數 FAF157減速機CAD三維圖
